Главная - Новости
Как предотвратить накопление материала в высокоскоростных дисперсионных реакторах Высокоскоростные дисперсионные реакторы являются ключевым оборудованием в таких отраслях, как химическая, фармацевтическая и лакокрасочная промышленность. Однако в реальных условиях распространенной проблемой являет...
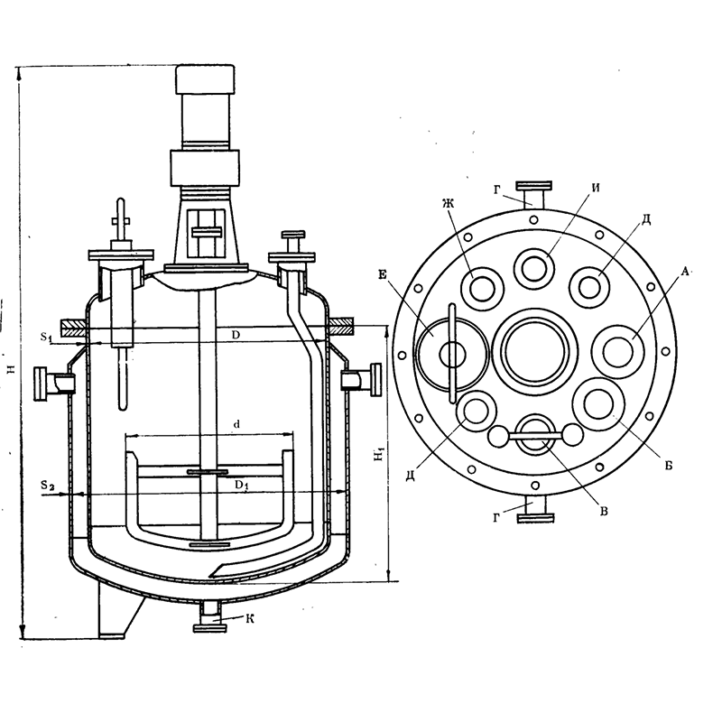
В современной химической промышленности реактор является ключевым устройством для осуществления таких важных процессов, как смешивание материалов, нагрев, охлаждение, реакция и дистилляция. Среди множества типов реакторов, изготовленных из различных материалов, реакторы из нержавеющей стали стали...
содержание Ожидание vs. Реальность на площадке Критерии, о которых не пишут в брошюрах Глобальные имена vs. Локальные чемпионы История с печальным (и поучительным) концом Так кто же он в итоге? Часто слышу этот вопрос, и сразу хочется назвать пару громких европейских брендов. Но реальность на...
В современной химической промышленности полимерные материалы широко используются в пластмассах, резине, покрытиях, клеях, волокнах и функциональных материалах. Синтез этих материалов в значительной степени основан на полимеризации — химическом процессе , в ходе которого ...
В различных отраслях промышленности, таких как химическая инженерия, фармацевтика, пищевая промышленность, биоинженерия и исследования и разработки новых материалов, реакторы из нержавеющей стали служат основным оборудованием, выполняющим множество критически важных технологических задач, включая...
Реакторы из нержавеющей стали являются незаменимым основным оборудованием в таких отраслях, как химическая, фармацевтическая, пищевая и биотехнологическая промышленность, и широко используются в процессах смешивания материалов, химических реакций, а также нагрева и охлаждения. Хотя этот материал ...